Automation

Innovative, Reliable & Scalable Automation Solutions for increasing efficiency, maximizing production, and reducing risks.

INDUSTRIAL SYSTEMS & SOLUTIONS

IC Pro designs, builds and delivers Industrial Automation solutions with multi-disciplined and highly skilled engineering resources. From Front-End Engineering Design, System Architecture, Product Specifications, Control Narratives, Engineered Systems & Integration, Control Panel and Pneumatic Panel Manufacturing, Systems Testing, On-Site Commissioning, and Start-up Support, we cover the entire spectrum of services to complete your project from concept to completion.

FEED, Engineering & Consultancy
  • Industrial Automation & Control System Design & Security Philosophy
  • IO List / Cause & Effect / Control Narrative Development
  • SIL Verification Calculation and SIS Validation Services
  • Industrial Network Design & Cyber Security Philosophy
Inspection/ Tracking / Quality Systems
  • Vision systems + Deep learning for next generation Inspection
  • Tracking systems using Barcode / RFID
  • Product Quality testing (End of Line / Inline Product Testing testing).
Data Acquisition, Monitoring & Reporting Systems​
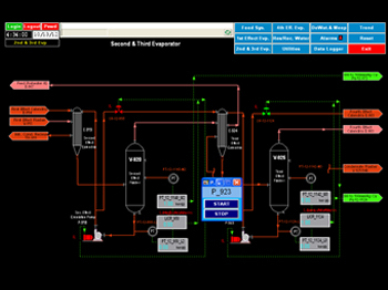
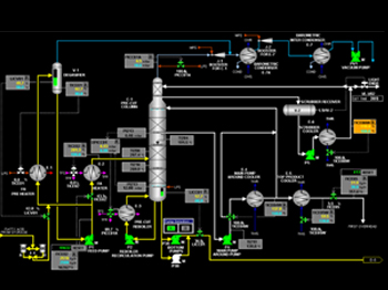
  • Supervisory Control and Data Acquisition systems (SCADA)
  • Human Machine Interface (HMI)
  • Process / Batch Historian
  • Production / Batch Reports
  • 21 CFR compliance
  • Data Loggers / Chart Recorders
  • Cloud based Remote Monitoring Systems
Process Control & Safety Systems ​
  • Basic Process control Systems (BPCS)
  • SIL Rated Safety Instrumented Systems (SIS)
  • Integrated Controls and Safety System (ICSS)
  • Fire and Gas Detection Systems (FGS)
  • Remote Monitoring & Control Systems
  • Motion Control Systems
Feed, Engineering & Consultancy

  • Industrial Automation & Control system design & Security philosophy
  • IO List / Cause & Effect / Control Narrative development
  • SIL verification calculation and SIS validation services
  • Industrial Network design & Cyber security philosophy

Inspection/ Tracking / Quality Systems

  • Vision systems + Deep learning for next generation Inspection
  • Tracking systems using Barcode / RFID
  • Product Quality testing (End of Line / Inline Product Testing testing).
  • Data Acquisition, Monitoring & Reporting systems

  • Supervisory Control and Data Acquisition systems (SCADA)
  • Human Machine Interface (HMI)
  • Process / Batch Historian
  • Production / Batch Reports
  • 21 CFR compliance
  • Data loggers / Chart recorders
  • Cloud based Remote Monitoring Systems
  • Process Control & Safety Systems

  • Basic Process control systems (BPCS)
  • SIL rated Safety Instrumented Systems (SIS)
  • Integrated Controls and Safety System (ICSS)
  • Fire and Gas Detection systems (FGS)
  • Remote Monitoring & Control systems
  • Motion control systems
  • DOMAIN EXPERTISE

    Pharma Life Science

    Smart Factory

    Oil and Gas

    Food & Beverages

    Material Handling

    DOMAIN EXPERTISE

    Pharma Life Science

    Food & Beverages

    Oil and Gas

    Factory / Warehouse

    Material Handling

    Industrial Gas

    AUTOMATION PROJECTS EXECUTED
    Oil & Gas
    Pharma / Life science
    Food & Beverages
    Water
    Industrial Gas & LNG
    Chemical & Utility
    Smart Factory

    Locations

    Address

    Unit No. 402, 4th Floor, Brigade Rubix, #20, Yeshwanthpur Hobli, HMT Campus,
    Bangalore-560013

    Call Us

    +91-80-29723300 / 01 / 02

    Mail Us

    sales@icpro.in